RM新时代新项目-百度知道

    <p id="lhzto"><small id="lhzto"></small></p>
      <p id="lhzto"></p>
        • product details
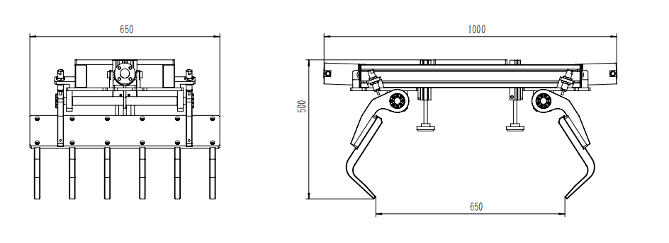
        The 50kg bagged robot holding and clamping fixture is driven by four cylinders, and with specific clamping jaws, it has a good grasping ability for bagged materials.

        2.jpg

        Function introduction features:
        1. System program control: The signal interface and system interface of the fixture system and the supporting robot or truss adopts PLC to control signal transmission, which ensures stability and is easier to replace and maintain. It has two operation control modes: manual and automatic. In manual mode, a certain process can be operated independently, and in automatic mode, it will run automatically according to the set operation program.
        2. Emergency stop interlocking function: If any emergency stop button is activated at will, the fixture can immediately stop the action being completed, and the equipment will resume normal operation only after the emergency stop is reset.
        3. Movement and positioning: The cylinder can be quickly clamped and released, and the magnetic induction switch is stable and the signal feedback is rapid.


        RM新时代新项目-百度知道

          <p id="lhzto"><small id="lhzto"></small></p>
            <p id="lhzto"></p>

                <p id="lhzto"><small id="lhzto"></small></p>
                  <p id="lhzto"></p>
                    RM新时代能折现吗 rm新时代靠谱的平台 RM新时代|官方理财平台 rm官网怎么登录 新时代官方下载